OA

TestWell测试软件

产品介绍

软件概述

TestWell软件是Kewell专为测试系统开发的一款专业测试软件平台,可用于执行所有级别的测试。该软件可被归类为“监控和数据采集”(SCADA)系统。一旦为特定的测试环境配置了TestWell软件,测试的执行简单明了。用户可以手动控制系统,或者使用TestWell的图形用户界面(GUI)全自动运行系统。该系统主要由标签系统、脚本编译器与运行器、自定义界面、数据图形、实时公式、安全报警模块等模块组成。

1703491613364.jpg

软件的主要功能如下:

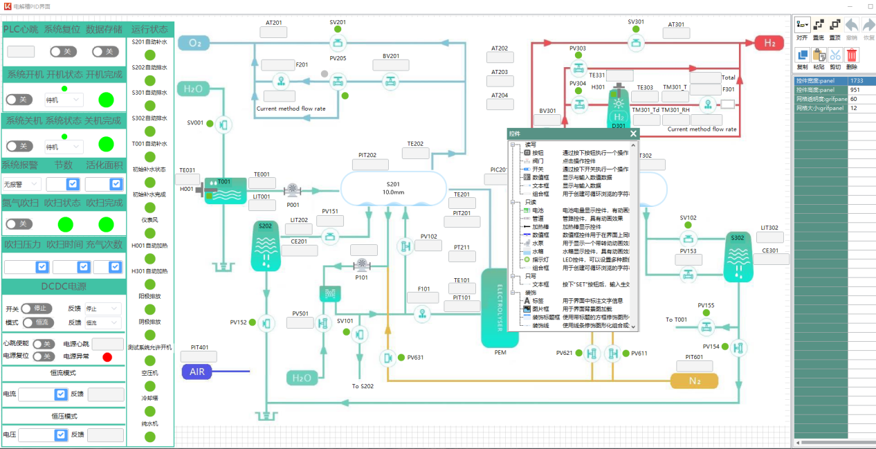
(1)标签系统,标签是使用本软件的核心,I/O标签库包含系统中所有可用的输入/输出标签。同时也包含了代表各个运行模块启停的系统标签。用户可以用脚本控制这些模块的启停(例如启动设备驱动与设备建立连接)。在标签管理界面中,会根据权限级别,显示当权限可见的标签集合。(如下图“标签全集”)。
T1.jpg

(2)定制化图表,自定义无数图形化组合,每个组合可同时使用多个标签。可拆分的图形允许拆分多个图形,并可自定义屏幕上的位置。

image.png

(3)脚本自定义功能,具备自定义编写功能,成熟的逻辑控制语言,设备自带专用脚本编辑软件且具有完整的编程功能。函数功能,可创建用户定义的数学方程,可实现基本数据函数运算。

T3.jpg


(4)函数功能,可创建用户定义的数学方程,可实现基本数据函数运算。支持用户定义的方程式和统计计算,通过用户可定义的方程式和自动化脚本。可以实时监控用户定义的计算变量,并根据这些变量设置报警条件。

image.png

(5)数据记录器,独立且可同时执行最大8组的数据记录器,每个数据记录器记录的数据量不限,并可通过自动化脚本文件自动开启/关闭数据记录器。

image.png

(6)自定义界面,用户可自定义添加和编辑界面内容,包括但不限于显示内容、显示位置、大小和颜色。

image.png

image.png

(7)曲线编辑,用户可通过标签添加需要显示的曲线,可设置曲线的形式,如点样式、线条的样式和宽度等等。

image.png

(8)序列功能,采用工步的方式,即对每一个工步下的工况进行编辑,如氮气吹扫流量和水扫时间等,多个工步构成完成的测试工况,与脚本自定义功能一样均可实现无人值守自动化运行。

T8.jpg